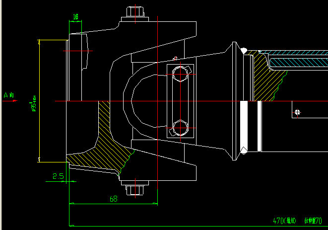
Arbre d'entraînement de l'essieu arrière (H3-H3-470-70)
Code des accessoires: 22QD4-01010
Modèles: Haige
Unité: Pièces
Spécifications:
Vues:
2
Code des accessoires: 22QD4-01010