Radiateur d'air chaud et disposition du pipeline Y0Z-A4
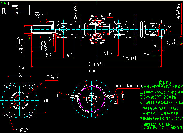
Code des accessoires: 81Y0Z-01100-A4
Modèles: Haige
Unité: Pièces
Spécifications:
Vues:
2
Code des accessoires: 81Y0Z-01100-A4